光纤耦合FH系列

波长:915nm-30W-FH-9130-J1

波长:915nm-30W-FH-9130-J1
产品型号:TM-915nm-30W-FH-9130-J1
主要特性:
 波长 915nm
 出纤功率 30W
 光纤芯径 105μm
 光纤数值孔径 0.22NA
 1030-1200nm 防反射功能
产品型号:TM-915nm-30W-FH-9130-J1
主要特性:
 波长 915nm
 出纤功率 30W
 光纤芯径 105μm
 光纤数值孔径 0.22NA
 1030-1200nm 防反射功能
联系我们
波长:915nm-30W-FH-9130-J1 立即咨询
首页/产品/激光器/光纤耦合半导体激光器/光纤耦合FH系列
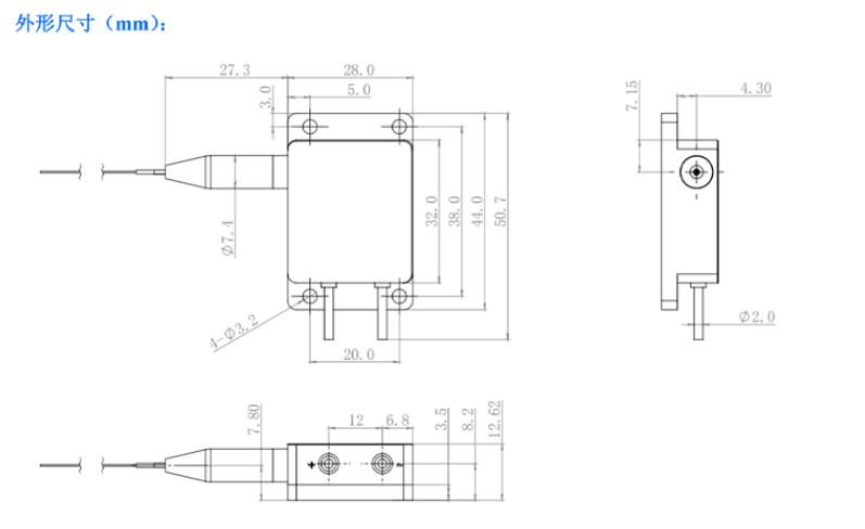
技术规格

Copyright © 2020 广东im电竞光电科技有限公司All rights reserved 粤ICP备2022115307号 网站地图 法律申明